Metal Fabrication and Custom Machining A while back we received a request from a customer for a custom metal fabrication job. […] Metal Fabrication and Custom Machining
Cylindrical Shaft Resurfacing Shaft damage can range from a few knicks, like the one shown, to the bearings have seized […] Shaft Resurfacing
Rebuilt this big valve. New bearings and bearing surfaces. Much less expensive then buying new. SM Valve Rebuild
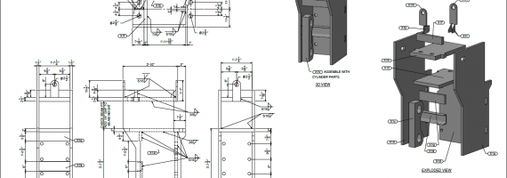
150 Ton Squeezer Design and Machining We recently had a customer ask us to help them design and produce a […] 150 Ton Squeezer Details
Custom Built Square Hay Bale Feeder Cliff Industrial recently produced a custom square hay bale feeder. Hay prices are on […] Square Hay Bale Feeder
Wood Pelletizers Hardfacing Improves Performance and Value We recently had a customer that brought in a few wood pelletizers that […] Wood Pelletizers Hardfacing and Sharpening
Custom Fit Snap Ring and Washer A customer needed either a bigger snap ring or a washer to hold the bearing inside. If a […] Custom Fit Snap Ring and Washer
Unpolished Stress Proof Steel Pins Recently, we had a customer that needed some Unpolished Stress Proof Steel Pins. They need the […] Unpolished Stress Proof Steel Pins